|
可编程控制系统(PLC)是一种专门为在工业环境下应用而设计的数字运算操作系统。它采用一种可编程的存储器,可执行逻辑运算,顺序控制,定时,计数和算术运算等操作指令,通过数字式或模拟式的输入输出来控制各种类型的机械设备或生产过程。
电梯是一种起重运输设备,广泛的应用于高层住宅,大型公共建筑,工厂仓库等场所,节省了人力和时间,提高了工作效率。影响的质量好坏的重要因数是它的控制系统。传统的电梯自动控制由继电器——接触器进行控制,其缺点是触点多,接线复杂,故障率高,可靠性差,维护工作量大,而采用PLC组成的控制系统很好的解决了上述问题,它工作可靠性高,灵活性好,通用性高,编程简单,使用方便,而且它的抗干扰能力远远强于传统电梯的,它使电梯的运行更加安全,方便。本文主要通过提出电梯系统的基本功能要求,为实现这几种功能,我从硬件和软件两个方面入手,硬件方面,主要从PLC的选型,内存容量计算,PLC 输入输出地址的分配和硬件的设计和选型方面考虑;软件方面,由于整个系统的程序设计相当复杂,为了便于设计,基于系统不同的功能要求,我将系统划分为电梯开门控制、电梯到层指示、层呼叫指示灯控制、箱内指令指示控制和电梯方向选择、启动控制、过载指示、限位保护等基本模块。系统功能划分有利于简化设计思想,提高设计效率。完成硬件和软件部分的设计,整体工程就完成了绝大部分,此后还需要程序的反复验证,现场调试,系统安装等等。鉴于本人水平有限,若有不足之处还望指正。
电梯功能的基本要求和基本构件
设计的电梯为4层运输装置,设计总体高为12米,每层高2.5米。它的电器控制系统由PLC,变频器,曳引电动机,门动电动机,安全装置,井道装置,交响操作盘,厅外操作盘,层楼指示灯等组成。
电梯控制系统主要的控制要求如下所示:
A:电梯运行到召唤位置后,能够自动开/关门,而且也能够手动开/关门。
B:电梯内指令和外部召唤指令的记忆,消除,并利用多个指示灯显示电梯内指令和外部指令。
C:方向选择功能 电梯接受到指令能够自动判别的运行方向,并发出指令。
D:电梯轿箱门由一个小功率电机驱动,电机正转,箱门打开;电机反转,箱门关闭;并具有延时开/关门功能,箱门上有红外线检测装置,防止箱门关闭时夹伤乘客。
E:平层提前减速和启动加速功能
F:在电梯的行程的起始端安装行程开关,防止电梯运行超程,撞坏建筑物,伤害到乘客。
实现这些功能需要如下器件:一台用于拽东电梯上升下降的星-三角启动的笼型电动机,一台用于控制轿箱门开关的小电机,用于频繁地接通和分断交直流主回路和大容量控制回路的接触器,用于显示电梯运行状态和指令召唤的指示灯等等。
电梯控制系统硬件设计
(一)PLC型号选择
PLC的种类非常繁多,不同种类之间的功能设置差异很大,这既给PLC机型的挑选提供了十分广阔的空间,同时也带来了一定的难度。机型选择的基本原则应是在功能满足要求的前提下,力争最好的性价比,并有一定的升级空间。
考虑到本次设计的电梯系统只有4层,且开关量居多,模拟量较少;对于开关量控制为主的系统而言,一般PLC的响应速度足以满足控制的要求,在小型PLC中整体式比模块式的价格便宜,体积也小,但是在设计活动中,经常碰到一些估计的指标,在设计活动中需要进行局部调整,另外模块式PLC排除故障所需时间短;我们估算输入输出接口比较多;由于考虑到本次设计的电梯系统只有4层,考虑到工厂造价,我们采用离线编程的方式,以减小软硬件的开销。
根据PLC I/O节点使用原则,即留出20%---30%的I/O点以做扩展时使用,4层电梯有32个输入信号,27个输出信号,本系统选用PLC型号为三菱FX2----128MR,这种机型的I/O点数分别为64,其编辑指令超过1000条,有2000步的程序内存,并配有相应的编程软件MEDOC,不但可通过手持编辑器对其编辑,而且还可以通过计算机对其进行编辑。
(二)内存容量估计
用户的程序和数据都保存在内存之中,对所需的内存容量要有一个估算,估计的太小则会造成编程和使用的困难,估计得太大又会浪费资源。我们一般会从下面几个因数来估计内存大小:
1.内存利用率
所谓内存利用率,就是一个程序段中的节点数与存放该程序段所代表的机器码所需内存字数的比值。对于同一个程序而言,高利用率可以降低内存的使用量,还可以缩短扫描时间,提高系统的响应速度。
2.开关量输入和输出的点数
一般系统中,开关量输入与输出的比为6:4,根据经验公式,可以算出所需内存的字数:
所需内存字数=开关量(输入+输出)总点数*10=590
3.模拟量输入和输出的点数
对于模拟量的处理需要用到数字传送和运算的功能,这部分指令的内存利用率比较低,因此需要更多的内存容量。
下面是一般情况下的经验计算公式:
只有模拟量输入时:内存字数=模拟量点数*100=400
模拟量输入/输出共存时:内存字数=模拟量点数*200=800 所占内存约为40KB,但是考虑到实际情况,在本系统控制过程中不存在此种情况。
4.程序编程质量
由于本人是初学者,缺乏实践经验,以及对机器和编程语言掌握不深,写出来的程序比较冗长,因此在选内存容量时,我多留了些容量。
由此,估算为1000余条程序,而FX2---128MR编辑指令超过1000条,有2000步的程序内存,基本上满足了要求,PLC选型正确。
5.输入输出模块和电源的选择
PLC输入模块的功能主要是检测来自现场设备的输入信号,并将其转换成PLC内部可处理的电平信号。输入模块的类型选用交流形式的,由于信号的传送距离比较近,信号选用低电压形式,低压又分为5v,12v,24v,60v和68v,从可靠性角度考虑,我选用24v作为电平信号电压。
PLC输出模块的功能主要是将内部输出电平,在输出前转换为可匹配外部负载设备的控制信号。晶闸管输出模块比较适合于开关频率高,电感性和低功率因数的负载设备,其缺点是价格高,过载能力差。而继电器输出模块的优点是使用电压范围宽,导通压降损失小,并且价格较低,但是它的寿命不长,而且响应速度慢,达不到我们设计的控制系统反应速度的要求,因此我们选用晶闸管输出模块。
电梯系统的曳引电机的工作电压选用交流220v,轿箱门开关控制电机的工作电压我们选用交流220v,指示灯工作电压都选用24v。
(三)PLC I/O口地址分配
如下图一为输入信号的地址分配

图一:输入信号的I/O地址分配
如下图二为输出接口的地址分配

图二:输出接口的地址分配
(四)PLC输入输出接线示意图
PLC的输入输出模块与外部用户设备的接线方式分为汇点式和分割式,两种方式的区别在于:选用汇点式接法的系统使用的电源电压唯一,而选用分割式接法的系统电源电压不唯一。根据系统的实际情况,输入输出模块与外部设备的接线形式均,具体接法如下图三示:

图三
(五)硬件的设计和选择
这里所选择的硬件设备主要指的是主副回路的设备选择主要是一下设备的选型:
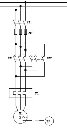
A:曳引电动机:电梯的种类多种多样,按拖动系统来分有交流单速/交流双速拖动电梯、交流调压调速电梯等等。在此次设计中,将采用交流双速电机作为曳引电机,它的优点是简单,经济,更重要的是舒适感好。
B:备用电机的选择:备用电机只要选择和曳引电机一样的型号即可。
C:门电机:只要满足功率要求,门电机选用一般三相异步电动机即可。如图中所示电动机的正反转来实现门的开关,采用星角降压启动,KS为速度继电器,用来对开关门到头时制动,防止轿,厅门的损坏。
基于以上考虑,部分硬件的选择结果如下:
曳引电机型号:YDDL160L-6/8
额定功率:11KW
额定电压:380V
额定电流:23A
功率因数:0.83
备用曳引电机选型通上
门电动机型号:Y100L-2
额定功率:3KW
额定电压:380V
额定电流:7A
功率因数:0.87
主电路部分电器型号的选择结果如下:
交流接触器:CJ20-25
熔断器:BLR1-63/3P
分断能力:50000A
热继电器:JR16-20/3D
熔断式刀开关:HH4-30/3-25
门电路部分电器型号的选择如下:
交流接触器:TYC2-12-9
熔断器:BLR1-63/3P-14
热继电器:JR16-20/3
熔断式刀开关:HH3-15/2-10
电梯控制系统软件设计
(一)程序设计思路
所设计的电梯模型共四层,电梯的每一层均有电梯升降指示灯,每层的搂厅均设有按钮召唤电梯;电梯内部设有按钮以便乘客选择要到达的楼层,还设有开关门按钮,方便乘客进出电梯。工作中的电梯控制系统的主要任务是对各种呼梯信号和当前电梯运行状态进行综合分析,再确定下一个工作状态。为实现电梯自动控制,要求控制系统具有自动定向,顺向截梯,反向保号,外呼指令记忆,停梯销号,自动开关门,自动报警,手动开关门,到层指示功能等。
(二)主要程序设计流程图

图五:开关门程序流程图
开关门程序流程简介:
当停层信号到达时,电梯停层,门电机正转,轿箱门打开,系统等待开门到位信号到达,接受到信号后,箱门保持打开延时状态;开门延时完毕后电梯开始关门,首先判断有无红外信号,若有,电梯延时2秒,没有信号则继续关门,直到关门到位,然后响应接下来的信号。
主程序流程图简要介绍:
电梯系统上电后,系统首先判断,电梯处于哪个楼层,若电梯处于一楼,然后判断电梯是否有向上召唤信号,若有响应信号,若没有,则保持电梯门关闭状态。
当电梯处于二楼时,首先判断电梯处于上升状态还是下降状态,若处于上升状态时,记忆向下呼叫信号,响应上升信号;若电梯处于下降状态时,它将记忆向上呼叫的信号,响应向下呼叫的信号;若无呼叫信号存在,电梯则将保持门毕状态。
当电梯处于三楼时,首先判断电梯处于上升状态还是下降状态,若处于上升状态时,记忆向下呼叫信号,响应上升信号;若电梯处于下降状态时,它将记忆向上呼叫的信号,响应向下呼叫的信号;若无呼叫信号存在,电梯则将保持门毕状态。
当电梯处于四楼时,首先判断有无向下呼叫信号;有向上呼叫信号,向上运行灯亮;没有电梯将保持门毕状态。

图六:主程序简易图
(三)主要程序设计
1.电梯开关门控制
基本控制要求:,电梯运行至某呼叫层活乘客需要去的某层后,电梯门打开,乘客进,出完毕后,电梯门自动关闭,也可以手动开,关电梯门。根据以上要求,设计出4层电梯开,关门的控制梯形图如下:

图七: 电梯开关门梯形图

图八:电梯开关门指令流程图
A:手动开门时,当电梯运行到位后,按下SB1,X000闭合,Y001得电,电动机正转,轿箱门打开,开门到位后,行程开关SQ1动作, X002常闭触点断开,Y001失电,电梯开门过程结束。
B:手动关门时,当按下SB2时,X001闭合,Y002得电并自锁,驱动关门接触器使电动机反转,轿箱门关闭,关门到位后,关门行程开关SQ2动作,常闭触点断开,Y002失电,关门过程结束。
C:自动开门时,当电梯运行到位后,相应的楼层接近行程开关SQ6或 SQ7或SQ8或SQ9被压下,即 X010或X011或X012或X013闭合。T0开始计时,延时3秒后,T0触点闭合,Y000输出,轿箱门打开。
D:自动关门程序的实现由定时器T1来控制。当电梯开门到位后Y000常开触点闭合,T1开始计时,延时5秒后Y001输出有效,轿箱门自动关闭。
E:在自动关门时轿箱门可能会夹住乘客,因此在轿箱门两侧均装有红外线检测装置SL1和SL2。当有人在轿箱门关闭过程中进出电梯时,由SL1和SL2发出信号使得X006和X007闭合,辅助继电器 M0得电闭合并自锁,T2定时器开始计时,延时2秒后再关闭。
F:当快速接触器或慢速接触器有输出时,Y005或Y006输出便有效,辅助继电器M1得电,电梯运行。
2.电梯到层指示
电梯到层的梯形图如下所:

图九:电梯到层指示梯形图
电梯到层指示指令图如下图十所示:
本段程序设计说明如下:
 
图十
X010,X011,X012和X013分别是一,二,三和四层的接近开关SQ6,SQ7,SQ8和SQ9的输入点,Y012,Y013,Y014和Y015分别是一,二,三和四层楼面的指示灯HL3,HL4,HL5和HL6的输出点。辅助继电器M2和M3起的是单,双层指示灯互锁功能控制。当电梯到达某一楼层后,只有该层电梯的指示灯亮。
具体控制过程如下:
A:当一层或三层电梯的接近开关按下时,X010或X012动作,辅助继电器M2输出有效信号并自锁。当一层电梯的接近开关动作时X010闭合,同时辅助继电器M2的触点闭合,和一楼接近开关触点串联在的二,三和四楼的楼层指示灯的触点都是常闭的,因此一楼指示灯输出Y012有效。同理当三层电梯的接近开关动作时X012闭合同时辅助继电器M2的触点闭合,和三楼接近开关触点串联在的一,二和四楼的楼层指示灯的触点都是常闭的,因此一楼指示灯输出Y014有效。
B:电梯的接近开关按下时,X011或X013动作,辅助继电器M3输出有效信号并自锁。当二层电梯的接近开关动作时X011闭合,同时辅助继电器M3的触点闭合,和二楼接近开关触点串联在的一,三和四楼的楼层指示灯的触点都是常闭的,因此二楼指示灯输出Y013有效。同理当四层电梯的接近开关动作时X013闭合同时辅助继电器M3的触点闭合,和四楼接近开关触点串联在的一,二和三楼的楼层指示灯的触点都是常闭的,因此四楼指示灯输出Y015有效。
3.层呼叫层指示灯控制
层呼叫指示灯程序设计说明:
当有乘客在轿箱外的某一层按下呼叫按钮SB7,SB8,SB9,SB10,SB11或SB12中的任何一个按钮后,对应的输入点X018,X020,X021,X022,X023或X024中的某一个就会闭合,同时所对应的层指示灯就亮,指示有人在那一层呼叫,呼叫信号会一直保持到电梯到达该层,该层的接近开关X010,X011,X012或X013中的某一个动作时呼叫信号指示才会消失。
层呼叫指示灯控制过程:当有乘客在一楼按下上行开关时,X021触点闭合,门锁输入信号的常闭触点闭合,上行输出的常闭触点也是闭合状态,此时Y024输出有效并自锁,一层上行指示灯亮,当电梯运行过程中压下一层接近开关时X011常闭触点断开,Y024 输出无效,一层上行指示灯灭。
当拨动二层上行旋转按钮时,触点X022闭合,此时门锁输入信号的触点为常闭有效,二层指示灯输出有效,二层上行指示灯亮,Y025输出有效并自锁,当电梯运行出二层时二层指示灯灭,当电梯运行中碰到二层接近行程开关时,接近开关的常开触点闭合,常闭触点断开,X013断开,Y025输出无效。
同理,三层上行指示控制过程也是如此。拨动三层上行旋转按钮时,触点X023闭合,此时门锁输入信号的触点为常闭有效,三层指示灯输出有效,三层上行指示灯亮,Y026输出有效并自锁,当电梯运行出三层时三层指示灯灭,当电梯运行中碰到二层接近行程开关时,接近开关的常开触点闭合,常闭触点断开,X013断开,Y026输出无效。
 
图十一
 
图十二
当有乘客在四楼扭动下行旋转开关时,下行旋转开关闭合,X024常开触点闭合,四层呼叫指示输出有效并自锁,四层呼叫指示灯亮;当四层行程接近开关被按下X014触点断开,四层呼叫指示输出Y030无效,灯灭。
当有乘客在三楼扭动下行旋转开关时,下行旋转开关闭合,X025常开触点闭合,三层呼叫指示输出信号Y031输出有效并自锁,三层呼叫指示灯亮。当电梯向上运行时Y011常闭触点断开同时电梯停留在三层时Y031的自锁功能无效,Y031输出无效,指示灯灭;当电梯运行过程中压下三层接近开关时,其常闭触点X013断开,Y031输出也无效。
同理当有乘客在二楼扭动下行旋转开关时动作过程类似。当有乘客在二楼扭动下行旋转开关时,下行旋转开关闭合,X026常开触点闭合,二层呼叫指示输出信号Y032输出有效并自锁,二层呼叫指示灯亮。当电梯向上运行时Y011常闭触点断开同时电梯停留在二层时Y031的自锁功能无效,Y031输出无效,指示灯灭;当电梯运行过程中压下二层接近开关时,其常闭触点X012断开,Y032输出也无效。
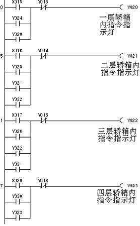
4.箱内指令指示控制

图十三
程序设计说明:如上图所示,按箱内某层按钮SB3,SB4,SB5或SB6响应X015,X016,X017或X020闭合并且自锁。例如去二层箱内按钮SB4,X016闭合,二层指示灯接触器Y021闭合并自锁,去二层箱内指示灯亮;当天体运行到二层时,二层接近开关X012动作,Y021得电闭合,使在Y021中的常闭触点断开,Y012断电,故二层箱内指令指示灯熄灭。
5.电梯方向选择,启动控制和过载保护
控制要求:
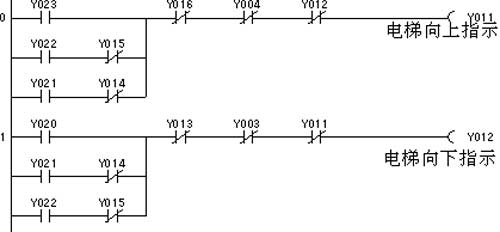
方向选择控制,即当电梯上行时,上行指示灯亮,下行呼叫指令存储起来;当电梯下行时,下行指示灯亮,上行指令存储起来。
启动控制时,即电梯方向运行确定后,在关门信号和门锁信号符合要求的情况下,电梯运行2秒后加速,在接近目标楼层时开始转为慢速运行,直到电梯到目标楼层停止。电梯方向的选择PLC控制梯形图如下图所示:


图十四
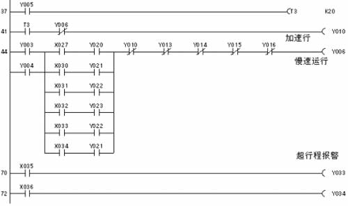
电梯启动控制和过载保护程序设计说明如下:如下图所示X021,X022,X023是电梯上行至某层的按下按钮,X024,X025,X026是电梯下行至某层的按钮,它们的作用是当电梯上行至某层的下层接近开关时,电梯开始减速,以便平稳地在目标层停止。同理,当电梯下行至某层的上层接近开关时,电梯也开始减速,同样使电梯平稳地停在目标层。在门锁信号X010,门关信号Y002和过载保护信号符合要求的前提下,M4闭合,Y003闭合,电梯快速运行,经过2秒后,电梯加速运行。当电梯接近二层时,二层的上下层接近开关X030与Y021接通Y006,或X034与Y021接通Y006,电梯慢速行驶。当电梯到达二层时Y014动作,电梯停止。
当电梯过载时X037常开触点闭合Y035输出有效,报警灯亮,X037常闭触点断开电梯启动失败,电梯停止运行。
当电梯在向上运行或向下运行时,电梯超出行程,会压下行程开关SQ16或SQ17,常闭触点X035或X036断开,电梯启动程序停止,同时常开触点X035或X036闭合,Y033或Y034触点闭合,报警电路输出有效,报警灯闪亮。

图十五

图十六
电梯启动控制和过载保护指令流程图如下图十七所示:
 
图十七
施工设计
施工时应特别注意安装要安全,正确,可靠,合理,特别要注意提高系统的抗干扰能力。
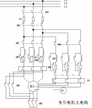
(一)曳引电动机主电路电路图设计
设计思路:曳引电机正转时,KM3闭合,当KM7,KM5触点闭合,电机加速运行,此时串联电阻和电抗的支路电流逐渐增大,当速度达到要求后,KM7触点断开,电梯快速运行;当电梯压下层接近开关时KM6触点闭合,电路电流突然增大,根据电抗的反抗特性,电路电流反相流通,电机反制,速度降低,降到一定时由速度继电器起作用,电机停转,达到电梯停车的要求。

图十八
(二)门电机主电路电路图
门电机主电路的控制过程:
当KM1触点闭合,电机正转,轿箱门打开;当KM2闭合,电机反转,轿箱门关闭。
(三)电器柜布线图
现在只给出了电器柜布线的示意图。

图十九:电器柜布线简略图

图二十: 门电路主控电路图
安装与调试
PLC电梯控制系统时强电与弱电的混合系统,因此在控制柜的元件布置和走线上应有相应的考虑。PLC主机应尽量远离发热设备即变频器,尽量将发热设备安置在PLC的上方。动力线与PLC的输入,输出线分开,接触器和PLC相隔一定的距离,以减少电磁干扰。并联阻容吸收装置或放电二极管,以消除电磁噪声。调试主要包括一下方面:
A:电动机转向调整:轿箱放置于中间层站,在检修状态下,点动验证电动机转向是否正确。
B:检修运行:利用上行,下行开关,试验电梯上,下电气限位是否起作用,试验超载开关。检查其他机械部分安装是否合适。
C:快车运行:包括单层运行,多层运行,箱内召唤指令,厅外召唤指令,舒适感等
附录
电梯控制系统硬件型号的选用
(一)变频器选型
系统的要求是能驱动普通三相异步电动机精确地完成电梯平层,快速,慢速和加速运行,而且在电梯换速时,乘客没有不舒服的感觉。依照以上的要求我们选用德国MICO340智能变频器。
这种变频器视为电梯的灵活调速,控制高精度平层等要求而专门设计的,可配通用普通三相异步电动机。与其他变频器相比,340变频器具有智能化软件接口,菜单提示输入电梯曲线关键参数,调试跟方便快捷,并且能实现单双层功能,具有自动化优化减速曲线的功能,爬行时间短,平层距离短。
(二)变频器控制过程
在电梯正常运行过程中,当PLC完成定向后,向变频器发出方向使能和速度信号后,变频器依据设定的速度及加速度值启动电动机,达到最大速度后,匀速运行;当电梯响应呼梯,到达目标楼层减速点时,PLC切断高速度信号输出,此时,变频器以设定的减速度将最大速度减至爬行速度,在电梯平层过程中,变频器可通过调整平层速度或制动斜坡来调整平层精度。在电梯到达距平层位置4---10CM时,由平层开关自动断开速度信号。在整个过程中。变频器340 的运行速度曲线如下图二十一所示:
总结
经过紧张、忙碌的一个月的努力,终于完成了本次设计活动,通过这次毕业设计锻炼,使我了解了电梯系统的工作原理和基本功能模块,以及实现这些功能的具体方法,了解到我国PLC事业现状,同时也认识到我们的PLC水平同世界水准的差距是在是太大了,但是令人欣慰的是中国有一些自动化企业为了振兴中华民族的PLC产业,为了发展自动化事业不断努力着,不断的创新,努力做着自己的品牌。我感觉通过这次设计活动,我的最大收获是了解了一种设计思想,认识了一个新的设计世界,这种设计思想要求设计者对自己的设计目的要有一个清晰的认识,对怎样实现自己的设计要有把握,同时他的最大意义在于将它运用于现实中后,它能给使用它的群体带来多大的方便;有了这种思想,以后再次参加类似设计活动,它整体设计和实现方法上不会一点眉目也没有了。
|